Версия для печати

Разъем XLR Neutrik NC3FD-H

NC3FD-H
Лихтенштейн
шт
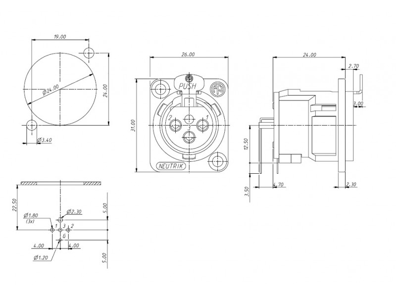
Разъем XLR
3
XLR
Neutrik
Артикул Цена
NC3FD-H 695.66 р/шт
Под заказ

Описание

Тип соединителя: "мама" Ёмкость между контактами ≤4 пФ Сопротивление контакта ≤5 мОм Электрическая прочность 1.5кВ постоянного тока Сопротивление изоляции >2 ГОм Номинальный ток на контакт 6 А Номинальное напряжение <50 В Количество коммутационных соединений >1000 Контакты под пайку Монтаж на печатную плату горизонтально Материал контактов: бронза(CuSn6) с напылением серебра 2 мкм и никеля 2мкм Материал корпуса: сплав цинка (ZnAl4Cu1), никелирование Огнеупорность UL 94 HB Соответствие стандарту IEC 61076-2-103 Степень защиты IP40 Диапазон рабочих температур -30°C +80°C
3-х пиновый панельный ( приборный ) разъём XLR "мама". Никелированный фланец "D" типа.