Версия для печати

Разъем EtherCon Neutrik NE8FAV-Y110

NE8FAV-Y110
Лихтенштейн
шт
Разъем EtherCon
Приборные
Neutrik
Артикул Цена
NE8FAV-Y110 708 р/шт
Под заказ

Описание

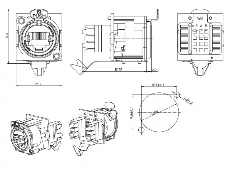
Соответствует стандартам TIA/EIA 568B и ISO/IEC 11801 . Для использования в LAN соединениях ( EtherNET ) , RJ45 / 8P8C . Устанавливается на плату или в прибор . Прочный пластиковый корпус . Контактная группа только для вертикального монтажа , под зажим провода IDC. Кнопка-фиксатор позволяет надежно удерживать контактирующий с ним кабель / патч корд
панельный разъём etherCON, фланец А типа. Вертикальный монтаж на печатную плату. Cat. 5E.

С этим товаром берут